Enviar consulta agora
Características do produto:
O design otimizado do perfil dos dentes proporciona uma grande área de contato e uma força de engrenamento aprimorada, permitindo suportar um torque de saída mais elevado com o mesmo diâmetro.
A resistência otimizada do material e a rigidez do perfil do dente reduzem a deformação dentária causada por cargas elevadas.
Adequado para transmissões de carga pesada, aceleração e partida frequentes e ambientes de trabalho de alto impacto.
O design da transição do filete da raiz do dente reduz a concentração de tensão e melhora a vida útil à fadiga.
Dentes helicoidais ou perfis dentários especiais reduzem eficazmente o ruído e melhoram a suavidade do encaixe.
Flancos de dentes lisos reduzem o desgaste da correia e prolongam sua vida útil.
As polias sincronizadoras HTD com dentes curvos (disponíveis com passos de 2 mm, 3 mm, 5 mm e 8 mm) oferecem alta capacidade de torque para acionamentos de serviço pesado em velocidades médias e baixas. A série SM com dentes serrilhados, aprimorada, alcança compatibilidade inovadora com transmissões de alto torque e alta velocidade, enquanto a série PM com dentes curvos se destaca pela excelente adaptabilidade em curvas e operação ultrassilenciosa, tornando-se a solução ideal para aplicações de transporte de precisão em alta velocidade.
Polia de sincronização S2M
| Tipo | Material | Tratamento de superfície | |||
| Largura da correia: 4 mm | Largura da correia: 6 mm | Largura da correia: 10 mm | Polia | Flange | |
| A: 5 L: 9 C: 17 | A: 7 L: 11 C: 19 | A: 11 L: 15 C: 23 | |||
| AW**S2M040 | AW**S2M060 | AW**S2M100 | 6061 | 6061 | Anodização Natural |
| AB**S2M040 | AB**S2M060 | AB**S2M100 | Anodização preta | ||
| AH**S2M040 | AH**S2M060 | AH**S2M100 | Anodização dura | ||
| AN**S2M040 | AN**S2M060 | AN**S2M100 | Niquelagem | ||
| SF**S2M040 | SF**S2M060 | SF**S2M100 | S45C | SPCC | Revestimento de óxido preto |
| SN**S2M040 | SN**S2M060 | SN**S2M100 | Niquelagem | ||
| SU**S2M040 | SU**S2M060 | SU**S2M100 | SUS303 | - | |
Polia de sincronização S3M
| Tipo | Material | Tratamento de superfície | |||
| Largura da correia: 6 mm | Largura da correia: 10 mm | Largura da correia: 15 mm | Polia | Flange | |
| A: 7 L: 11 C: 19 | A: 11 L: 15 C: 23 | A:17 L: 21 C: 29 | |||
| AW**S3M060 | AW**S3M100 | AW**S3M150 | 6061 | 6061 | Anodização Natural |
| AB**S3M060 | AB**S3M100 | AB**S3M150 | Anodização preta | ||
| AH**S3M060 | AH**S3M100 | AH**S3M150 | Anodização dura | ||
| AN**S3M060 | AN**S3M100 | AN**S3M150 | Niquelagem | ||
| SF**S3M060 | SF**S3M100 | SF**S3M150 | S45C | SPCC | Revestimento de óxido preto |
| SN**S3M060 | SN**S3M100 | SN**S3M150 | Niquelagem | ||
| SU**S3M060 | SU**S3M100 | SU**S3M150 | SUS303 | - | |
Polia de sincronização S5M
| Tipo | Material | Tratamento de superfície | |||
| Largura da correia: 10 mm | Largura da correia: 15 mm | Largura da correia: 25 mm | Polia | Flange | |
| A: 11 L: 16 C: 28 | A: 17 L: 22 C: 34 | A: 27 L: 32 C: 44 | |||
| AW**S5M100 | AW**S5M150 | AW**S5M250 | 6061 | 6061 | Anodização Natural |
| AB**S5M100 | AB**S5M150 | AB**S5M250 | Anodização preta | ||
| AH**S5M100 | AH**S5M150 | AH**S5M250 | Anodização dura | ||
| AN**S5M100 | AN**S5M150 | AN**S5M250 | Niquelagem | ||
| SF**S5M100 | SF**S5M150 | SF**S5M250 | S45C | SPCC | Revestimento de óxido preto |
| SN**S5M100 | SN**S5M150 | SN**S5M250 | Niquelagem | ||
| SU**S5M100 | SU**S5M150 | - | SUS303 | - | |
Polia de sincronização S8M
| Tipo | Material | Tratamento de superfície | ||||
| Largura da correia: 15 mm | Largura da correia: 25 mm | Largura da correia: 30 mm | Largura da correia: 40 mm | Polia | Flange | |
| A: 17 L: 22 C: 37(42) | A: 28 L: 33 C: 48(53) | A:33 L: 38 C: 53(58) | A: 44 L: 49 C: 64(69) | |||
| AW**S8M150 | AW**S8M250 | AW**S8M300 | AW**S8M400 | 6061 | 6061 | Anodização Natural |
| AB**S8M150 | AB**S8M250 | AB**S8M300 | AB**S8M400 | Anodização preta | ||
| AH**S8M150 | AH**S8M250 | AH**S8M300 | AH**S8M400 | Anodização dura | ||
| AN**S8M150 | AN**S8M250 | AN**S8M300 | AN**S8M400 | Niquelagem | ||
| SF**S8M150 | SF**S8M250 | SF**S8M300 | SF**S8M400 | S45C | SPCC | Revestimento de óxido preto |
| SN**S8M150 | SN**S8M250 | SN**S8M300 | SN**S8M400 | Niquelagem | ||
Polia de sincronização HTD3M
| Tipo | Material | Tratamento de superfície | |||
| Largura da correia: 6 mm | Largura da correia: 10 mm | Largura da correia: 15 mm | Polia | Flange | |
| A: 7 L: 11 C: 19 | A: 11 L: 15 C: 23 | A:17 L: 21 C: 29 | |||
| AW--3M060 | AW--3M100 | AW--3M150 | 6061 | 6061 | Anodização Natural |
| AB--3M060 | AB--3M100 | AB--3M150 | Anodização preta | ||
| AH--3M060 | AH--3M100 | AH--3M150 | Anodização dura | ||
| AN--3M060 | AN--3M100 | AN--3M150 | Niquelagem | ||
| SF--3M060 | SF--3M100 | SF--3M150 | S45C | SPCC | Revestimento de óxido preto |
| SN--3M060 | SN--3M100 | SN--3M150 | Niquelagem | ||
| SU--3M060 | SU--3M100 | SU--3M150 | SUS303 | - | |
Polia de sincronização HTD5M
| Tipo | Material | Tratamento de superfície | |||
| Largura da correia: 10 mm | Largura da correia: 15 mm | Largura da correia: 25 mm | Polia | Flange | |
| A: 11 L: 16 C: 28 | A: 17 L: 22 C: 34 | A: 27 L: 32 C: 44 | |||
| AW--5M100 | AW--5M150 | AW--5M250 | 6061 | 6061 | Anodização Natural |
| AB--5M100 | AB--5M150 | AB--5M250 | Anodização preta | ||
| AH--5M100 | AH--5M150 | AH--5M250 | Anodização dura | ||
| AN--5M100 | AN--5M150 | AN--5M250 | Niquelagem | ||
| SF--5M100 | SF--5M150 | SF--5M250 | S45C | SPCC | Revestimento de óxido preto |
| SN--5M100 | SN--5M150 | SN--5M250 | Niquelagem | ||
| SU--5M100 | SU--5M150 | - | SUS303 | - | |
Polia de sincronização HTD8M
| Tipo | Material | Tratamento de superfície | ||||
| Largura da correia: 15 mm | Largura da correia: 25 mm | Largura da correia: 30 mm | Largura da correia: 40 mm | Polia | Flange | |
| A: 17 L: 22 C: 37(42) | A: 28 L: 33 C: 48(53) | A:33 L: 38 C: 53(58) | A: 44 L: 49 C: 64(69) | |||
| AW--8M150 | AW--8M250 | AW--8M300 | AW--8M400 | 6061 | 6061 | Anodização Natural |
| AB--8M150 | AB--8M250 | AB--8M300 | AB--8M400 | Anodização preta | ||
| AH--8M150 | AH--8M250 | AH--8M300 | AH--8M400 | Anodização dura | ||
| AN--8M150 | AN--8M250 | AN--8M300 | AN--8M400 | Niquelagem | ||
| SF--8M150 | SF--8M250 | SF--8M300 | SF--8M400 | S45C | SPCC | Revestimento de óxido preto |
| SN--8M150 | SN--8M250 | SN--8M300 | SN--8M400 | Niquelagem | ||
Polia de sincronização P2M
| Tipo | Material | Tratamento de superfície | |
| Largura da correia: 6 mm | Polia | Flange | |
| A: 7,5 L: 11,5 C: 20 | |||
| AW**P2M060 | 6061 | 6061 | Anodização Natural |
| SF**P2M060 | Equivalente a S45C | SPCC | Revestimento de óxido preto |
| SN**P2M060 | Niquelagem | ||
Polia de sincronização P3M
| Tipo | Material | Tratamento de superfície | ||
| Largura da correia: 10 mm | Largura da correia: 15 mm | Polia | Flange | |
| A: 12 L: 16 C: 23 (Quando o número de dentes for menor que 20, A = 11) | A: 17 L: 21 C: 29 | |||
| AW**P3M100 | AW**P3M150 | 6061 | 6061 | Anodização Natural |
| SF**P3M100 | SF**P3M150 | Equivalente a S45C | SPCC | Revestimento de óxido preto |
| SN**P3M100 | SN**P3M150 | Niquelagem | ||
Polia de sincronização P5M
| Tipo | Material | Tratamento de superfície | ||
| Largura da correia: 10 mm | Largura da correia: 15 mm | Polia | Flange | |
| A: 11,6 L: 16 C: 28 | A: 16,6 L: 21 C: 33 | |||
| AW**P5M100 | AW**P5M150 | 6061 | 6061 | Anodização Natural |
| AB**P5M100 | AB**P5M150 | Anodização preta | ||
| AH**P5M100 | AH**P5M150 | Anodização dura | ||
| AN**P5M100 | AN**P5M150 | Niquelagem | ||
| SF**P5M100 | SF**P5M150 | Equivalente a S45C | SPCC | Revestimento de óxido preto |
| SN**P5M100 | SN**P5M150 | Niquelagem | ||
Polia de sincronização P8M
| Tipo | Material | Tratamento de superfície | ||
| Largura da correia: 15 mm | Largura da correia: 25 mm | Polia | Flange | |
| A: 16,8 L: 22 C: 39 (44) | A: 27,8 L: 33 C: 50 (55) | |||
| AW**P8M150 | AW**P8M250 | 6061 | 6061 | Anodização Natural |
| AH**P8M150 | AH**P8M250 | Anodização dura | ||
| AN**P8M150 | AN**P8M250 | Niquelagem | ||
| SF**P8M150 | SF**P8M250 | Equivalente a S45C | SPCC | Revestimento de óxido preto |
| SN**P8M150 | SN**P8M250 | Niquelagem | ||
Polia de sincronização S2M

Polia de sincronização S3M

Polia de sincronização S5M

Polia de sincronização S8M

Polia de sincronização HTD3M

Polia de sincronização HTD5M

Polia de sincronização HTD8M

Polia de sincronização P2M

Polia de sincronização P3M

Polia de sincronização P5M

Polia de sincronização P8M

④ Perfil da polia


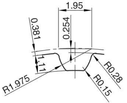
As dimensões do sulco entre os dentes variam ligeiramente dependendo do número de dentes. Passo entre os dentes (2 mm)
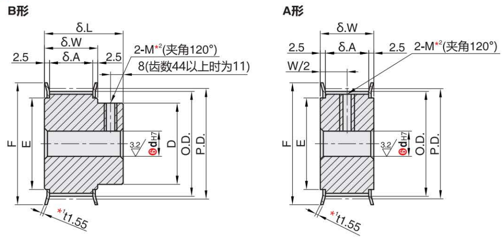
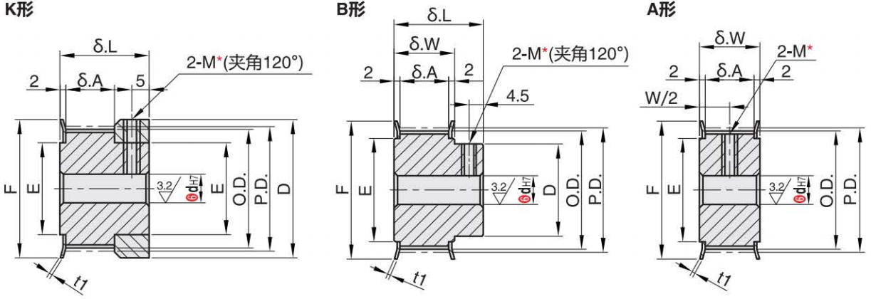
Para as especificações de furo de eixo H (furo redondo), V, F (furo escalonado) e Y (furo escalonado em ambas as extremidades), não existem furos roscados.
A parte interna do furo do eixo não pode receber tratamento superficial.
* Para polias do tipo A e furos no eixo com P ou N, os dois furos roscados estão localizados aproximadamente a 120° ou 90° do centro da ranhura do dente.
④ Perfil da polia


As dimensões do sulco entre os dentes variam ligeiramente dependendo do número de dentes. Passo entre os dentes (3 mm)
Para as especificações de furo de eixo H (furo redondo), V, F (furo escalonado) e Y (furo escalonado em ambas as extremidades), não existem furos roscados.
A parte interna do furo do eixo não pode receber tratamento superficial.
* Para polias do tipo A e furos no eixo com ângulos P ou N, os dois furos roscados estão localizados aproximadamente a 120° ou 90° do centro da ranhura do dente.
④ Perfil da polia


As dimensões do sulco entre os dentes variam ligeiramente dependendo do número de dentes. Passo entre os dentes (5 mm)
Para as especificações de furo de eixo H (furo redondo), V, F (furo escalonado) e Y (furo escalonado em ambas as extremidades), não existem furos roscados.
A parte interna do furo do eixo não pode receber tratamento superficial.
* Para polias do tipo A e furos no eixo com roscas P ou N, os dois furos roscados estão localizados aproximadamente a 120° ou 90° do centro da ranhura do dente.
④ Perfil da polia


As dimensões do sulco entre os dentes variam ligeiramente dependendo do número de dentes. Passo entre os dentes (8 mm)
Para 72 dentes, t = 2 (flange torneada)
Para as especificações de furo de eixo H (furo redondo), V, F (furo escalonado) e Y (furo escalonado em ambas as extremidades), não há furos roscados.
A parte interna do furo do eixo não pode receber tratamento superficial.
* Para polias do tipo A e furos no eixo com ângulos P ou N, os dois furos roscados estão localizados aproximadamente a 120° ou 90° do centro da ranhura do dente.
④Perfil da polia


As dimensões do sulco entre os dentes variam ligeiramente dependendo do número de dentes. Passo entre os dentes (3 mm)
Para as especificações de furo de eixo H (furo redondo), V, F (furo escalonado) e Y (furo escalonado em ambas as extremidades), não existem furos roscados.
A parte interna do furo do eixo não pode receber tratamento superficial.
* Para polias do tipo A e furos no eixo com ângulos P ou N, os dois furos roscados estão localizados aproximadamente a 120° ou 90° do centro da ranhura do dente.
Polia de sincronização HTD5M
④ Perfil da polia


As dimensões do sulco entre os dentes variam ligeiramente dependendo do número de dentes. Passo entre os dentes (5 mm)
Para as especificações de furo de eixo H (furo redondo), V, F (furo escalonado) e Y (furo escalonado em ambas as extremidades), não existem furos roscados.
A parte interna do furo do eixo não pode receber tratamento superficial.
* Para polias do tipo A e furos no eixo com ângulos P ou N, os dois furos roscados estão localizados aproximadamente a 120° ou 90° do centro da ranhura do dente.
④ Perfil da polia


As dimensões do sulco dentário variam ligeiramente dependendo do número de dentes.
Passo entre dentes (8mm)
Para as especificações de furo de eixo H (furo redondo), V, F (furo escalonado) e Y (furo escalonado em ambas as extremidades), não existem furos roscados.
A parte interna do furo do eixo não pode receber tratamento superficial.
* Para polias do tipo A e furos no eixo com P ou N, os dois furos roscados estão localizados aproximadamente a 120° ou 90° do centro da ranhura do dente.
④ Perfil da polia

As dimensões do sulco do dente variam ligeiramente (2 mm) dependendo do número de dentes.
Para as especificações de furo de eixo H (furo redondo) e V (furo escalonado), não há furos roscados. Alguns tamanhos podem ter alívio para furo roscado.
A parte interna do furo do eixo não pode receber tratamento superficial.
* Para polias com furos de eixo tipo A e furos P/N, os dois furos roscados estão localizados aproximadamente a 120° ou 90° do centro da ranhura do dente.
④ Perfil da polia


As dimensões do sulco do dente variam ligeiramente (3 mm) dependendo do número de dentes.
Para as especificações de furo de eixo H (furo redondo) e V (furo escalonado), não há furos roscados. Alguns tamanhos podem ter alívio para furo roscado.
A parte interna do furo do eixo não pode receber tratamento superficial.
* Para polias com furos de eixo tipo A e furos P/N, os dois furos roscados estão localizados aproximadamente a 120° ou 90° do centro da ranhura do dente.
④ Perfil da polia


As especificações de furos para eixo H (furo redondo), V, F (furo escalonado) e Y (furo escalonado em ambas as extremidades) não possuem furos roscados. Alguns tamanhos podem ter alívio para furo roscado.
A parte interna do furo do eixo não pode receber tratamento superficial.
* Para polias do tipo A e furos no eixo com roscas P ou N, os dois furos roscados devem estar localizados a aproximadamente 120° ou 90° do centro da ranhura do dente.
④ Perfil da polia


As especificações de furos para eixo H (furo redondo), V, F (furo escalonado) e Y (furo escalonado em ambas as extremidades) não possuem furos roscados. Alguns tamanhos podem incluir alívio para furo roscado.
A parte interna do furo do eixo não pode receber tratamento superficial.
* Para polias do tipo A e furos no eixo com roscas P ou N, os dois furos roscados devem estar localizados a aproximadamente 120° ou 90° do centro da ranhura do dente.