Enviar consulta agora
Características do produto:
Design de baixa inércia: Construído com materiais leves (como liga de alumínio), reduz o consumo de energia e é adequado para operação de baixa a média velocidade e longa duração.
Adequado para cargas leves: A estrutura otimizada transmite a tensão de forma eficaz em correias transportadoras leves, evitando o desgaste excessivo.
Requisitos de potência de acionamento reduzidos: Reduz a carga do motor e melhora a eficiência energética.
O perfil dos dentes se encaixa perfeitamente na correia sincronizada, garantindo uma operação sem deslizamento e uma relação de transmissão estável.
Impede o desvio e a vibração da correia, garantindo o transporte suave das mercadorias transportadas.
Baixo nível de ruído operacional, adequado para ambientes de produção silenciosos (como oficinas de processamento de alimentos e salas de montagem eletrônica).
Passo preciso dos dentes: Mantém a sincronização da velocidade e da posição da esteira, minimizando o desalinhamento do produto.
Alta precisão de engrenamento: Reduz o desgaste da correia e prolonga a vida útil da correia e da polia.
Indicado para linhas de montagem com operação longa e contínua.
Ofereça confiabilidade com excelente custo-benefício com especificações de passo padrão de 5 mm e 10 mm. Apresentando um design de perfil de dente otimizado para um desempenho de engrenamento estável, projetado especificamente para transmissões de serviço leve e condições de torque padrão.
Polia de sincronização T5
| Tipo | Material | Tratamento de superfície | ||||
| Largura da correia: 10 mm | Largura da correia: 15 mm | Largura da correia: 20 mm | Largura da correia: 25 mm | Polia | Flange | |
| A: 11 L: 16 C: 28 | A: 17 L: 22 C: 34 | A: 22 L: 27 C: 39 | A: 27 L: 32 C: 44 | |||
| AW**T5100 | AW**T5150 | AW**T5200 | AW**T5250 | 6061 | 6061 | Anodização Natural |
| AB**T5100 | AB**T5150 | AB**T5200 | AB**T5250 | Anodização preta | ||
| AH**T5100 | AH**T5150 | AH**T5200 | AH**T5250 | Anodização dura | ||
| AN**T5100 | AN**T5150 | AN**T5200 | AN**T5250 | Niquelagem | ||
| SF**T5100 | SF**T5150 | SF**T5200 | SF**T5250 | S45C | SPCC | Revestimento de óxido preto |
| SN**T5100 | SN**T5150 | SN**T5200 | SN**T5250 | Niquelagem | ||
Polia de sincronização T10
| Tipo | Material | Tratamento de superfície | ||||||
| Largura da correia: 15 mm | Largura da correia: 20 mm | Largura da correia: 25 mm | Largura da correia: 30 mm | Largura da correia: 40 mm | Largura da correia: 50 mm | Polia | Flange | |
| A: 17 L: 22 C: 37 | A: 22 L: 27 C: 42 | A: 27 L: 32 C: 47(52) | A: 32 L: 37 C: 52(57) | A: 43 L: 48 C: 61(63) | A: 53 L: 58 C: 70 | |||
| AW**T10150 | AW**T10200 | AW**T10250 | AW**T10300 | AW**T10400 | AW**T10500 | 6061 | 6061 | Anodização Natural |
| AB**T10150 | AB**T10200 | AB**T10250 | AB**T10300 | AB**T10400 | AB**T10500 | Anodização preta | ||
| AH**T10150 | AH**T10200 | AH**T10250 | AH**T10300 | AH**T10400 | AH**T10500 | Anodização dura | ||
| AN**T10150 | AN**T10200 | AN**T10250 | AN**T10300 | AN**T10400 | AN**T10500 | Niquelagem | ||
| SF**T10150 | SF**T10200 | SF**T10250 | SF**T10300 | SF**T10400 | SF**T10500 | S45C | SPCC | Película protetora de óxido ferroso-férrico |
| SN**T10150 | SN**T10200 | SN**T10250 | SN**T10300 | SN**T10400 | SN**T10500 | Niquelagem | ||
Polia de sincronização T5

Polia de sincronização T10

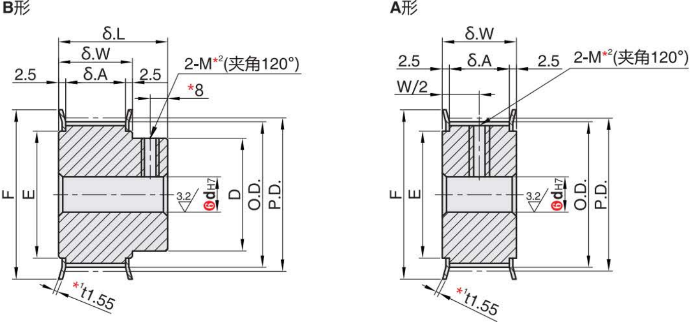
④ Perfil da polia


As dimensões do sulco entre os dentes variam ligeiramente dependendo do número de dentes. Passo entre os dentes (5 mm)
Para as especificações de furo de eixo H (furo redondo), V, F (furo escalonado) e Y (furo escalonado em ambas as extremidades), não existem furos roscados.
A parte interna do furo do eixo não pode receber tratamento superficial.
* Para polias do tipo A e furos no eixo com roscas P ou N, os dois furos roscados estão localizados aproximadamente a 120° ou 90° do centro da ranhura do dente.
④ Perfil da polia


As dimensões do passo entre os dentes variam ligeiramente dependendo do número de dentes. Passo entre os dentes (10 mm)
Para 34, 50 e 60 dentes, t = 2 (flange torneada).
Para as especificações de furo de eixo H (furo redondo), V, F (furo escalonado) e Y (furo escalonado em ambas as extremidades), não há furos roscados.
A parte interna do furo do eixo não pode receber tratamento superficial.
Para as polias T10250 e T10300 com 44 a 60 dentes, o passo do furo é 11; para as polias T10400 e T10600, o passo do furo é (LW)/2.
As dimensões entre parênteses dentro da dimensão L referem-se a polias com 44 a 60 dentes.
* Para polias do tipo A com furos de eixo do tipo P ou N, os dois furos roscados estão localizados aproximadamente a 120° ou 90° do centro do espaço entre os dentes.