Enviar consulta agora
Características do produto:
Materiais de alta resistência: As polias síncronas de transmissão de potência para serviço pesado são normalmente feitas de materiais de alta resistência e resistentes ao desgaste, como aço-liga e liga de alumínio, para garantir estabilidade e durabilidade sob altas cargas e altas velocidades.
Fabricação de Precisão: O processo de fabricação segue padrões rigorosos de alta precisão, garantindo que parâmetros-chave, como o perfil e o passo dos dentes da polia, sejam exatos, melhorando assim a precisão e a estabilidade da transmissão.
Diversas opções de design: Para atender às necessidades de diversas aplicações industriais, as polias síncronas de transmissão de potência para serviço pesado oferecem uma variedade de opções de design, incluindo diferentes perfis de dentes, passos, diâmetros e larguras de polia.
Transmissão eficiente: As polias síncronas utilizam um método de transmissão por dentes, permitindo uma transmissão de potência eficiente e estável quando usadas com uma correia dentada. Sua eficiência mecânica é tipicamente alta, atingindo 0,98 ou mais.
Relação de transmissão precisa: Devido à relação de engrenagem entre a correia dentada e a polia, as polias síncronas de transmissão de potência para serviço pesado podem fornecer relações de transmissão precisas, o que é fundamental para aplicações que exigem controle preciso de velocidade e torque.
Transmissão Antideslizante: O sistema de transmissão por correia síncrona possui a característica de ser antideslizante, o que significa que não haverá geração adicional de calor e desgaste durante o processo de transmissão, prolongando assim a vida útil do sistema.
Polias de Sincronização Trapezoidais Reforçadas da Série AT: Uma evolução avançada da tecnologia da Série T, com geometria de dentes reforçada e melhorias nos materiais para oferecer confiabilidade comprovada em condições operacionais severas. Projetadas especificamente para transmissão de potência em serviço pesado e aplicações industriais de alto torque.
Polia de sincronização AT5/AT10
| Tipo | Material | Tratamento de superfície | |||||
| AT5 | AT10 | Polia | Flange | ||||
| Largura da correia: 10 mm | Largura da correia: 15 mm | Largura da correia: 15 mm | Largura da correia: 20 mm | Largura da correia: 25 mm | |||
| A: 11,6 L: 16,5 C: 25 (27/29) | A: 16,6 L: 21,5 C: 30 (32/34) | A: 16,5 L: 22,5 C: 38(40) | A: 21,5 L: 27,5 C: 43(45) | A: 26,5 L: 32,5 C: 48(50) | |||
| AW**AT5100 | AW**AT5150 | AW**AT10150 | AW**AT10200 | AW**AT10250 | 6061 | 6061 | Anodização Natural |
| AB**AT5100 | AB**AT5150 | AB**AT10150 | AB**AT10200 | AB**AT10250 | Anodização preta | ||
| AH**AT5100 | AH**AT5150 | AH**AT10150 | AH**AT10200 | AH**AT10250 | Anodização dura | ||
| AN**AT5100 | AN**AT5150 | AN**AT10150 | AN**AT10200 | AN**AT10250 | Niquelagem | ||
| SF**AT5100 | SF**AT5150 | SF**AT10150 | SF**AT10200 | SF**AT10250 | S45C | SPCC | Revestimento de óxido preto |
| SN**AT5100 | SN**AT5150 | SN**AT10150 | SN**AT10200 | SN**AT10250 | Niquelagem | ||
Polia de sincronização AT5/AT10


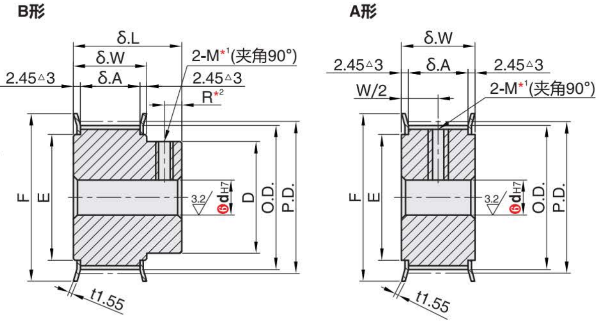
④ Perfil da polia


As dimensões das ranhuras dos dentes variam ligeiramente dependendo do número de dentes. Passo do dente AT5 (5 mm); passo do dente AT10 (10 mm);
O número após o triângulo na figura indica o tipo AT10.
Para as especificações de furo de eixo H (furo redondo), V, F (furo escalonado) e Y (furo escalonado em ambas as extremidades), não existem furos roscados.
A parte interna do furo do eixo não pode receber tratamento superficial.
AT5: R=4 (número de dentes 15-16); R=5 (número de dentes 18-28);
R=6 (número de dentes 30-60);
AT10: R=8 (número de dentes 14-48)
* Para polias do tipo A e furos no eixo P ou N, os dois furos roscados estão localizados aproximadamente a 120° ou 90° do centro da ranhura do dente.